一、SP45F數字鎖定平衡閥產品概述:
SP45F數字鎖定平衡閥適用于各種液體管路系統,SP45F數字鎖定平衡閥是一種較為理想的新型節能閥門。SP45F數字鎖定平衡閥設有刻度數字顯示,可直觀調到任一位置,并可鎖定。SP45F數字鎖定平衡閥主要應用于工業和民用建筑采暖系統。目前在一些管網系統中存在水力失調問題,SP45F數字鎖定平衡閥提供了解決這一問題的手段,用SP45F數字鎖定平衡閥可以準確的調節壓力和流量,SP45F數字鎖定平衡閥用以改善管網液體的平衡和節約能源的目的。在雙管網工程改造中,應用SP45F數字鎖定平衡閥仍可節約能源,得到較好效果。

二、SP45F數字鎖定平衡閥技術參數
1、公稱壓力1.6 MPa(2.5 MPa須預定);
2、介質溫度0~150℃;
3、理論特性曲線為等百分比曲線,當閥權度在0.3~0.5時實際曲線為線性特性。
4、結構長度符臺GB/T 2221中截止閥駛止目閥結構長度。
三、SP45F數字鎖定平衡閥性能及特點
1、理想的調節性能;
2、優秀的截止功能;
3、精確到1/10圈的開啟狀態顯示;
4、理論流量特性曲線為等百分比特性曲線,
5、國家專利型啟閉鎖定裝置;
6、對應每個整圈都有固定的流量系數,調試中只要測量出閥門兩端壓差,就可以方便地計算出流經閥門的流量;
7、聚四氟已烯和硅橡膠密封,密封性能可靠;
8、內部元件采用YICr18Ni9或銅合金制造.抗腐蝕能力強,使用壽命長,
9、內升降閥桿,無須預留操作空間。
四、SP45F數字鎖定平衡閥溫度和開度的計算
依據公式Q=Kv·△P式中:Q-m3h;△P-100KPa(1Kgf/cm2)
例1:已知流量,公稱通徑和開度,確定壓差△P:Q=30m3/h,DN65,開度5圈。由流量系數表查得Kv=35.78,將Q和Kv代入公式△P=(Q/Kv)2=70KPa
例2:知流量、壓差,確定口徑和開度Q=14m3/h,△P=120 KPa;將Q和△P代入公式:Kv=Q/△P=12.78查流量系數表可選擇DN32,DN40.DN50三種型號,如選擇DN40,則開啟4圈即滿足要求.如選擇DN50則按12.78與DN50開啟三圈的Kv值9.15之差按對數插入法計算即得開啟圈數為3.8圈。
例3:已知壓差口徑和開度計算流量:△P=65KPa,DN80開啟4圈,將△P和查得的Kv值代入公式Q=Kv,△P=26.42m3/h。
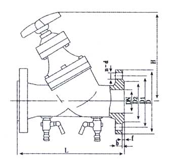
五、SP45F數字鎖定平衡閥尺寸
|
DN |
D |
D1 |
D2 |
L |
H |
|
32 |
135 |
100 |
76 |
180 |
130 |
|
40 |
145 |
110 |
84 |
200 |
140 |
|
50 |
160 |
125 |
102 |
215 |
195 |
|
65 |
180 |
145 |
122 |
245 |
220 |
|
80 |
195 |
160 |
130 |
285 |
230 |
|
100 |
215 |
180 |
158 |
315 |
260 |
|
125 |
245 |
210 |
184 |
355 |
290 |
|
150 |
280 |
240 |
212 |
400 |
330 |
|
200 |
335 |
295 |
268 |
490 |
530 |
|
250 |
405 |
344 |
320 |
622 |
560 |
|
300 |
460 |
410 |
370 |
698 |
590 |
|
350 |
520 |
470 |
435 |
787 |
780 |
|
400 |
580 |
525 |
485 |
914 |
830 |
|
500 |
705 |
650 |
608 |
978 |
880 |
|
600 |
840 |
770 |
718 |
1295 |
965 |
