| 詳細內容: 一、對夾蝶式止回閥概述: H76X對夾蝶式止回閥由閥體、閥瓣、閥桿及彈簧等零件組成,采用對夾連接。由于閥瓣的關閉行程短,并且有彈簧加載,可顯著減少水錘現象。該閥主要適用于城市、工業及高層建筑給水、排水管網上。由于其結構長度比一般止回閥短,對有安裝空間限制的場所最為適用。
二、對夾蝶式止回閥主要零部件材料:
|
零件名稱 |
閥體 |
閥瓣 |
閥桿 |
彈簧 |
閥座 |
|
材 料 |
鑄鐵、鑄鋼 |
碳鋼 |
不銹鋼 |
不銹鋼 |
丁晴橡膠 |
三、對夾蝶式止回閥主要技術參數:
|
型 號 |
公 稱 壓 力 PN(MPa) |
強度試驗壓力(MPa) |
密封試驗壓力(MPa) |
適用 溫度 |
適用 介質 |
|
H76X-10 |
1.0 |
1.5 |
1.1 |
≤80℃ |
清水
污水 |
|
H76X-16 |
1.6 |
2.4 |
1.76. |
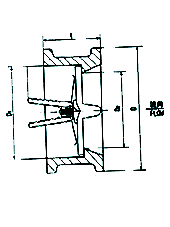
四、對夾蝶式止回閥主要外形尺寸:

|
公稱通徑 DN(mm) |
L(mm) |
H(mm) |
D(mm) |
|
1.0MPa |
1.6MPa |
|
50 |
43 |
60 |
105 |
105 |
|
65 |
46 |
73 |
124 |
124 |
|
80 |
64 |
89 |
142 |
142 |
|
100 |
64 |
110 |
162 |
162 |
|
125 |
70 |
141 |
192 |
192 |
|
150 |
76 |
168 |
218 |
218 |
|
200 |
89 |
219 |
272 |
273 |
|
250 |
114 |
273 |
328 |
328 |
|
300 |
114 |
324 |
378 |
384 |
|
公稱通徑 DN(mm) |
L(mm) |
H(mm) |
D(mm) |
|
1.0MPa |
1.6MPa |
|
350 |
127 |
356 |
438 |
444 |
|
400 |
140 |
418 |
489 |
495 |
|
450 |
152 |
457 |
540 |
555 |
|
500 |
152 |
526 |
594 |
616 |
|
600 |
178 |
626 |
695 |
734 |
|
700 |
229 |
672 |
810 |
804 |
|
800 |
241 |
778 |
916 |
910 |
|
900 |
241 |
878 |
1016 |
1010 |
|
1000 |
300 |
914 |
1124 |
1128 |
|