詳細內容:200X不銹鋼可調式減壓穩壓閥結構特點和用途
200X-16P不銹鋼可調式減壓穩壓閥由主閥、導閥、針閥、球閥、微型過濾器和壓力表組成水力控制接管系統。使用時,當調定出口壓力后,能自動保持穩定出口壓力。
本產品利用導閥自力控制,不需要其它裝置和能源,保養簡便,壓力控制準確度高,受進口壓力和流量影響小,減壓穩壓可靠。
本系列閥門產品廣泛用于高層建筑、生活區等供水管網系統及城市供水工程。
200X不銹鋼可調式減壓穩壓閥工作原理
當閥門從進口端給水時,水流過針閥進入主閥控制室,出口壓力通過導管作用到導閥上。當出口壓力高于導閥彈簧設定值時,導閥關閉。控制室停止排水,此時主閥控制室內壓力升高并關閉主閥,出口壓力不再升高。
當閥門出口壓力降到導閥彈簧設定壓力時,導閥開啟,控制室向下游排水。由于導閥系統排水量大于針閥的進水量,主閥控制室壓力下降。進口壓力使主閥開啟。在穩定狀態下,控制室進水、排水相同,主閥開度不變,出口壓力穩定。
調節導閥彈簧即可設定出口壓力。
200X減壓穩壓閥主要技術參數
|
公稱壓(Mpa) |
殼體試驗壓力(MPa) |
密封試驗壓力(MPa) |
最高進口壓力(MPa) |
出口可調壓力(MPa) |
適用介質 |
介質溫度(℃) |
|
1.0 |
1.5 |
1.1 |
1.0 |
0.09-0.8 |
水 |
0-80 |
|
1.6 |
2.4 |
1.76 |
1.6 |
0.10-1.2 |
|
2.5 |
3.75 |
2.75 |
2.5 |
0.15-1.6 |
200X減壓穩壓閥主要零件材料
|
零件名稱 |
零件材料 |
|
閥體閥蓋 |
WCB |
|
閥座閥盤 |
銅合金 |
|
密封圈O型圈 |
丁晴橡膠 |
|
閥桿 |
2Cr13 |
|
彈簧 |
50CrVA |
|
針型閥 |
銅合金 |
|
球閥 |
銅合金 |
|
浮球閥 |
銅合金 |
|
微型過濾器 |
不銹鋼 |
|

|
|
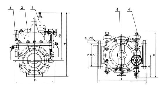
200X減壓穩壓閥部件列表: 1、導閥2、主閥3、球閥4、壓力表5、針表 |
200X減壓穩壓閥連接尺寸
|
DN |
L |
A |
A1 |
H |
H1 |
F |
D mm |
D1 mm |
D2 mm |
n-Φd |
|
mm |
mm |
mm |
mm |
mm |
mm |
PN1.0 |
PN1.6 |
PN2.5 |
PN1.0 |
PN1.6 |
PN2.5 |
PN1.0 |
PN1.6 |
PN2.5 |
PN1.0 |
PN1.6 |
PN2.5 |
|
20 |
180 |
292 |
136 |
342 |
247 |
116 |
105 |
105 |
105 |
75 |
75 |
75 |
58 |
58 |
56 |
4-13.5 |
4-13.5 |
4-14 |
|
25 |
180 |
292 |
136 |
342 |
247 |
116 |
115 |
115 |
115 |
85 |
85 |
85 |
68 |
68 |
65 |
4-13.5 |
4-13.5 |
4-14 |
|
32 |
180 |
292 |
136 |
342 |
247 |
116 |
140 |
140 |
140 |
100 |
100 |
100 |
78 |
78 |
76 |
4-17.5 |
4-17.5 |
4-18 |
|
40 |
240 |
330 |
155 |
395 |
278 |
170 |
150 |
150 |
150 |
110 |
110 |
110 |
88 |
88 |
84 |
4-17.5 |
4-17.5 |
4-18 |
|
50 |
240 |
330 |
155 |
395 |
278 |
170 |
165 |
165 |
165 |
125 |
125 |
125 |
102 |
102 |
99 |
4-17.5 |
4-17.5 |
4-18 |
|
65 |
250 |
350 |
165 |
405 |
298 |
180 |
185 |
185 |
185 |
145 |
145 |
145 |
122 |
122 |
118 |
4-17.5 |
4-17.5 |
8-18 |
|
80 |
285 |
365 |
175 |
430 |
313 |
210 |
200 |
200 |
200 |
160 |
160 |
160 |
133 |
133 |
132 |
8-17.5 |
8-17.5 |
8-18 |
|
100 |
360 |
410 |
195 |
510 |
350 |
275 |
220 |
220 |
235 |
180 |
180 |
190 |
158 |
158 |
156 |
8-17.5 |
8-17.5 |
8-22 |
|
125 |
400 |
455 |
220 |
560 |
365 |
310 |
250 |
250 |
270 |
210 |
210 |
220 |
184 |
184 |
184 |
8-17.5 |
8-17.5 |
8-26 |
|
150 |
455 |
475 |
230 |
585 |
420 |
355 |
285 |
285 |
300 |
240 |
240 |
250 |
212 |
212 |
211 |
8-22 |
8-22 |
8-26 |
|
200 |
585 |
530 |
255 |
675 |
450 |
460 |
340 |
340 |
360 |
295 |
295 |
310 |
268 |
268 |
274 |
8-22 |
12-22 |
12-26 |
|
250 |
650 |
623 |
300 |
730 |
470 |
500 |
395 |
405 |
425 |
350 |
355 |
370 |
320 |
320 |
330 |
12-22 |
12-26 |
12-30 |
|
300 |
800 |
700 |
340 |
760 |
490 |
580 |
445 |
460 |
485 |
400 |
410 |
430 |
370 |
370 |
389 |
12-22 |
12-26 |
16-30 |
|
350 |
860 |
840 |
415 |
840 |
526 |
640 |
505 |
520 |
555 |
460 |
470 |
490 |
430 |
430 |
448 |
16-22 |
16-26 |
16-33 |
|
400 |
960 |
880 |
430 |
910 |
570 |
715 |
565 |
580 |
620 |
515 |
525 |
550 |
482 |
482 |
503 |
16-26 |
16-30 |
16-36 |
|
450 |
1075 |
930 |
460 |
1030 |
610 |
780 |
615 |
640 |
670 |
565 |
585 |
600 |
532 |
550 |
548 |
20-26 |
20-30 |
20-36 |
|
500 |
1075 |
980 |
490 |
1135 |
665 |
830 |
670 |
715 |
760 |
620 |
650 |
660 |
585 |
585 |
609 |
20-26 |
20-33 |
20-36 |
|
600 |
1230 |
1060 |
530 |
1270 |
725 |
920 |
780 |
840 |
845 |
725 |
770 |
770 |
685 |
685 |
720 |
20-30 |
20-36 |
20-39 |
|
700 |
1650 |
1130 |
560 |
1460 |
865 |
980 |
895 |
910 |
960 |
840 |
840 |
875 |
800 |
800 |
820 |
24-30 |
24-36 |
24-42 |
|
800 |
1750 |
1230 |
610 |
1640 |
975 |
1050 |
1015 |
1025 |
1085 |
950 |
950 |
990 |
905 |
905 |
928 |
24-33 |
24-39 |
24-48 |
|
200X減壓穩壓閥安裝示意圖
|
|

|
壓力等級:PN1O、PN16、PN25 隔膜式:DN20~450
活塞式:DN500~750,介質溫度:O~80℃。